Handmades</center>
 
*
Bem-vindo, Visitante. Por favor faça o Login ou Registro. 12 de Dezembro de 2025, as 09:01:49


Login com nome de usuário, senha e duração da sessão


Páginas: [1]   Ir para o Fundo
  Imprimir  
Autor Tópico: Potência perdendo ganho - Warm Music H.G 412 GT  (Lida 2191 vezes)
Tiago Vulgar
Freqüente
**
Offline Offline

Sexo: Masculino
Mensagens: 349

Obrigado
-Dado: 37
-Recebido: 22


O sonho do careta é a realidade do maluco


« : 17 de Outubro de 2025, as 13:49:38 »

Olá pessoal, faz muito tempo que não mando mensagem no fórum e agora estou com a oportunidade devido a um problema.

  Eu tenho o cabeçote da Warm 412 GT, usei por muitos anos em shows mas em um desses ele deu perda de ganho, o som bem  fraco, como se tivesse "faltando energia" p/ o amp.
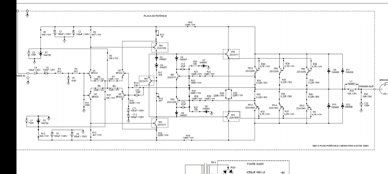
  Fui mexer com ele em casa e vi que o problema era na potência mesmo, não era no pré. Comecei a analizar a placa e acabei encontrando algumas soldas frias, refiz todas e ainda sim estava enfraquecendo o som, inicialmente ele funcionava e depois ficava ruim, durava uns 3 a 5 min normal, depois estragava o som. Fui analisar o circuito e desconfiei do circuito de proteção. Segue a imagem do esquema:




Teste vai, teste vem e os resistores R25 e R26 torram, o R32 esquentou até ficar marcado. Dei uma desanimada e deixei o amp de lado até ontem, quando decidi retomar o conserto. Verificando o circuito com calma, tenho a hipótese de que o primeiro par de transistor de saída deu ruim, provavelmente o transistor de proteção também foi para o brejo. Ainda não tirei p/ verificar se estão em curto, mas por precaução eu irei trocar todos os transistores de saída e os do circuito de proteção. Irei testar os que estão na placa (do driver em diante) e trocar todos. Alguém tem alguma dica de melhoria para este circuito? Se não me engano ele é uma cópia de algum cygnus.

Quando testar eu coloco as informações aqui.

Registrado
bossman
Administrator
DIY Freak
******
Offline Offline

Sexo: Masculino
Mensagens: 6.361

Obrigado
-Dado: 1922
-Recebido: 477



« Responder #1 : 17 de Outubro de 2025, as 17:01:31 »

O esquema veio incompleto mas, eu veificaria esses capacitores da fonte também ! Esse amplificador já tem uns bons anos de vida e não seria nada anormal encontrar eles com algum tipo de defeito ou já não rendendo muito bem
Registrado

Ding-Ling things, low-cost = low protection! Nothing is foolproof
Ramsay
Colaborador
***
Offline Offline

Mensagens: 995

Obrigado
-Dado: 1
-Recebido: 132


Estou suspenso por reincidência em internetês.


« Responder #2 : 17 de Outubro de 2025, as 23:11:37 »

Cara, pra torrar R25 e R26, no mínimo Tr9 deve estar em curto, ou então, Tr13 ou Tr14 ou Tr15 dos quais um deve estar em curto.
Sugiro que desconecte do circuito e teste esses 4 transistores com um multímetro, de preferência analógico, e na escala Rx1.
Mas, se não tiver pode usar um multímetro digital mesmo.
Registrado
Tiago Vulgar
Freqüente
**
Offline Offline

Sexo: Masculino
Mensagens: 349

Obrigado
-Dado: 37
-Recebido: 22


O sonho do careta é a realidade do maluco


« Responder #3 : 20 de Outubro de 2025, as 16:58:38 »

Voltando ao tópico:

  Eu troquei os 6 transistores de saída, os TR7 e TR9 (da proteção) e os TR2, TR3, TR4 E TR5. Testando TODOS no multímetro eu não encontrei nenhum em curto e agora eu fiquei na dúvida porque não é possível que o miserável do transistor não está dando sinal de que está ruim  Bufando . Depois das trocas o amplificador voltou a funcionar, porém tem uma coisa curiosa: Comprei todos os transistores de acordo com o esquema e quando fui trocar na placa eu me deparei com  2SA1964 no lugar dos 2SA1930. O 1964 nem é par casado do 2SC5171 (que por sinal, chato de achar hein). Até pensei que poderia ter dado problema pelos transistores não casado mas, depois de anos usando o amp, nunca havia dado sinal.

O diagrama completo tá nesse link aqui!
« Última modificação: 20 de Outubro de 2025, as 17:02:00 por Tiago Vulgar » Registrado
Doug
Colaborador
***
Offline Offline

Sexo: Masculino
Mensagens: 969

Obrigado
-Dado: 120
-Recebido: 144



« Responder #4 : 20 de Outubro de 2025, as 19:34:34 »

Só para garantir, você também testou se esses transistores não apresentam fuga? ele pode parecer bom no teste de HFE, passar por teste de curto e até na maioria dos testadores de componentes, mas mesmo assim estar com fuga e isso causa comportamentos erráticos, pode começar bem e com a variação de temperatura modificar o comportamento.
o TR1 também vale uma atenção, pelo esquema ele também fica montado no dissipador com os transistores de potencia e atua diretamente no ajuste de BIAS.
Registrado

Essa Estória de viver em paz, não me satisfaz
Tiago Vulgar
Freqüente
**
Offline Offline

Sexo: Masculino
Mensagens: 349

Obrigado
-Dado: 37
-Recebido: 22


O sonho do careta é a realidade do maluco


« Responder #5 : 23 de Outubro de 2025, as 19:43:14 »

O TR1, multiplicador de VBE, vai trabalhar com a temperatura do dissipador, mas nesse caso aí todos os transistores de média e alta potência ficam preso no dissipador. Mas também fiquei com pé atrás desse transistor Doug, em alta temperatura o problema deve aparecer. Eu ainda irei trocar mais alguns componentes desse "Power", já troquei os C1, C2, C8 e C9, pretendo trocar mais alguns capacitores e resistores que estão em conexão direta na alimentação. Futuramente terei que regular a corrente de repouso com o RV1 e RV2, no doc que tem o esquema não fala qual o valor da corrente, já pesquisei alguns esquemas da Cygnus, porque na placa tem o nome, mas não achei nada similar, precisava um pouco mais de informação sobre esse Power.
Registrado
Páginas: [1]   Ir para o Topo
  Imprimir  
 
Ir para:  


Powered by MySQL Powered by PHP Powered by SMF 1.1.21 | SMF © 2006-2009, Simple Machines

XHTML 1.0 Válido! CSS Válido! Dilber MC Theme by HarzeM
Página criada em 0.035 segundos com 22 procedimentos.
SimplePortal 2.3.3 © 2008-2010, SimplePortal